产品参数

TER系列-聚氨酯包胶辊

TER系列-聚氨酯包胶辊

轮胎包胶硬度

93 Shore A

保护地面/行走噪音

滚动阻力

很好

耐磨损能力

杰出

获取报价 >

产品介绍


               胎面:
           

通过化学反应浇注的优质聚氨酯弹性体硬度为93±3 Shore A,行走噪音低,滚动阻力小,保护地面,非常耐磨,抗切割和撕裂强度高,无痕、不染色,与轮芯的粘接效果极佳。            

               wechat_2025-09-05_131152_241.png  
           



               轮芯:
           

可根据工况选择45#钢、铸铁、压铸铝合金、不锈钢等金属材料;表面处理可选择喷漆、磷化、镀锌、发黑等。可指定轴承品牌,默认C&U            



               其它特性:
           

耐多种腐蚀性物质腐蚀;工作温度:-30°C +70°C,短时高达 +90°C,负载能力在 +40°C 以上时降低
           





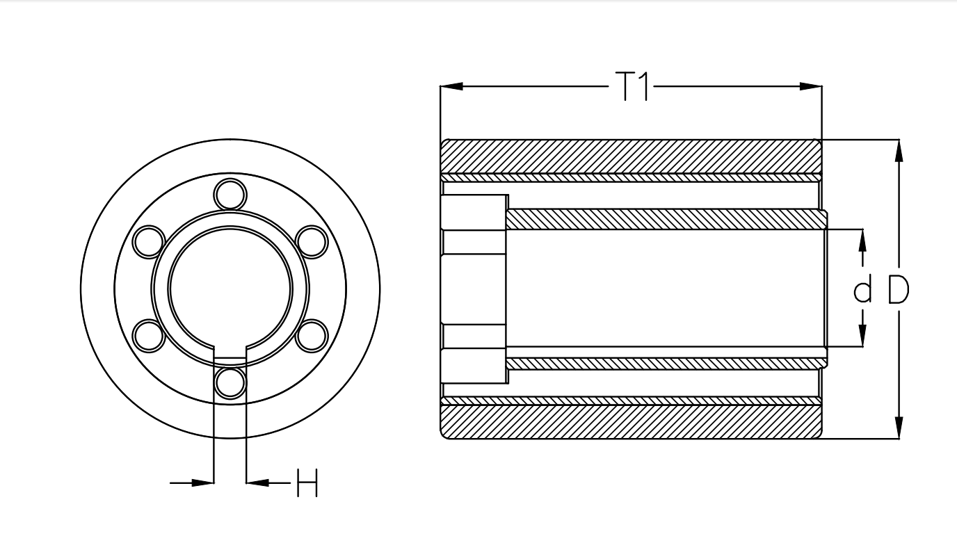
技术参数



                      轮径

                 (D)mm

                         轮宽

                   (T2)mm

                     负载能力

                     (KG)

     滚珠轴承

    轴孔直径

   (d)mm

    夹紧长度

        mm

SER-85/36                       36
                        85                        800KG                                   支持定制
其他尺寸敬请垂询